Nissan Juke Hybrid 2024 Gebruikershandleiding
3.7.2. Modellen met volledige schermweergave

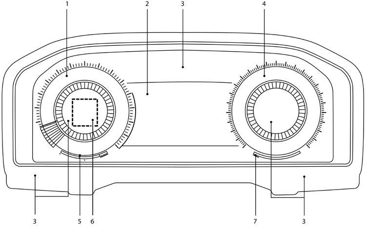
- Vermogensmeter ()
- Voertuiginformatiedisplay ()
- Waarschuwings- en controlelampjes ()
- Snelheidsmeter ()
- Acculadingindicatielampje ()
- Persoonlijk display ()
- Brandstofmeter ()

Gebruik voor het reinigen een zachte doek bevochtigd met water. Gebruik geen ruwe doek, alcohol, benzine, verdunner of oplosmiddelen, of papieren doekjes met een chemisch reinigingsmiddel. Ze kunnen de lens beschadigen of verkleuren.
Sproei geen vloeistof zoals water op de transparante meterafdekking. Door vloeistof te sproeien kan er een storing in het systeem ontstaan.
Gebruikershandleiding van Nissan